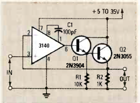
En la figura tenemos la forma de añadir una etapa Darlington a un amplificador operacional para obtener una corriente de hasta 1 A. El 2N3055 debe estar equipado con un disipador de calor.

En la figura tenemos la forma de añadir una etapa Darlington a un amplificador operacional para obtener una corriente de hasta 1 A. El 2N3055 debe estar equipado con un disipador de calor.
