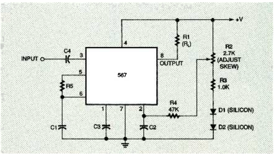
Este circuito reconocedor de tonos que se basa en R5 y C1 fue encontrado en la edición de diciembre de 1994 de la revista Electronics Now. El circuito funciona normalmente con tensiones de entre 6 y 12 V.
Este circuito utiliza los flip-flops del circuito anterior para implementar un contador binario de 3...
Este circuito fue encontrado en una edición de 1987 de la revista Hands On Electronics de Estados...
Este circuito de detector de paso por cero o cero crossing detector produce un pulso de salida cada...