Este oscilador de puente de Viena genera una señal sinusoidal cuya frecuencia depende básicamente de C2 y C4. El circuito es de Electronics Now de diciembre de 1993.
Este circuito utiliza los flip-flops del circuito anterior para implementar un contador binario de 3...
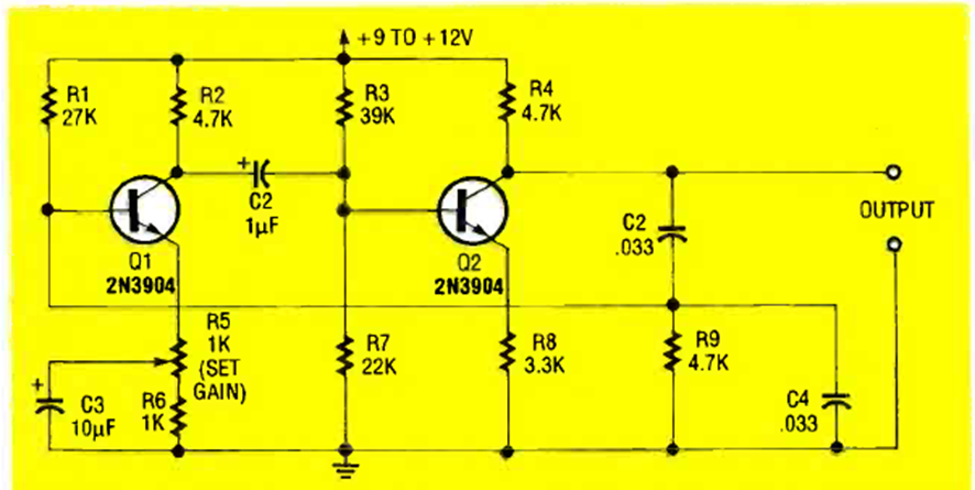
Este circuito fue encontrado en una edición de 1987 de la revista Hands On Electronics de Estados...
Este circuito de detector de paso por cero o cero crossing detector produce un pulso de salida cada...