Esta interesante aplicación en un circuito que permite la sincronización se publicó en la edición de diciembre de 1992 de la revista Radio Electronics. Las temperaturas del capacitor se pueden adaptar a las necesidades de frecuencia.
Este circuito utiliza los flip-flops del circuito anterior para implementar un contador binario de 3...
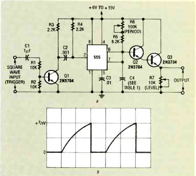
Este circuito fue encontrado en una edición de 1987 de la revista Hands On Electronics de Estados...
Este circuito de detector de paso por cero o cero crossing detector produce un pulso de salida cada...