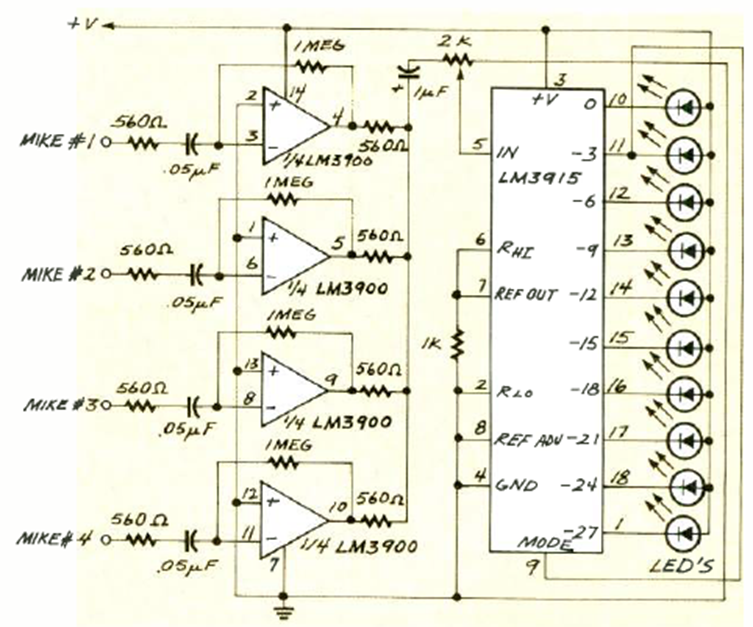
Este circuito para múltiples entradas de sonido fue encontrado en una Radio Electrónica de enero de 1992. Consiste en un Bargraph conectado a un mezclador multientrada.
Este circuito utiliza los flip-flops del circuito anterior para implementar un contador binario de 3...
Este circuito fue encontrado en una edición de 1987 de la revista Hands On Electronics de Estados...
Este circuito de detector de paso por cero o cero crossing detector produce un pulso de salida cada...