Encontramos este circuito en la revista Radio Electronics de octubre de 1988. El circuito sigue vigente gracias a los componentes utilizados y se pueden realizar modificaciones.
Este circuito utiliza los flip-flops del circuito anterior para implementar un contador binario de 3...
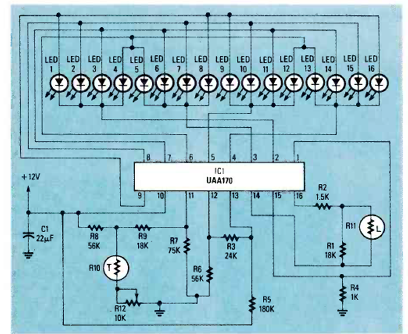
Este circuito fue encontrado en una edición de 1987 de la revista Hands On Electronics de Estados...
Este circuito de detector de paso por cero o cero crossing detector produce un pulso de salida cada...