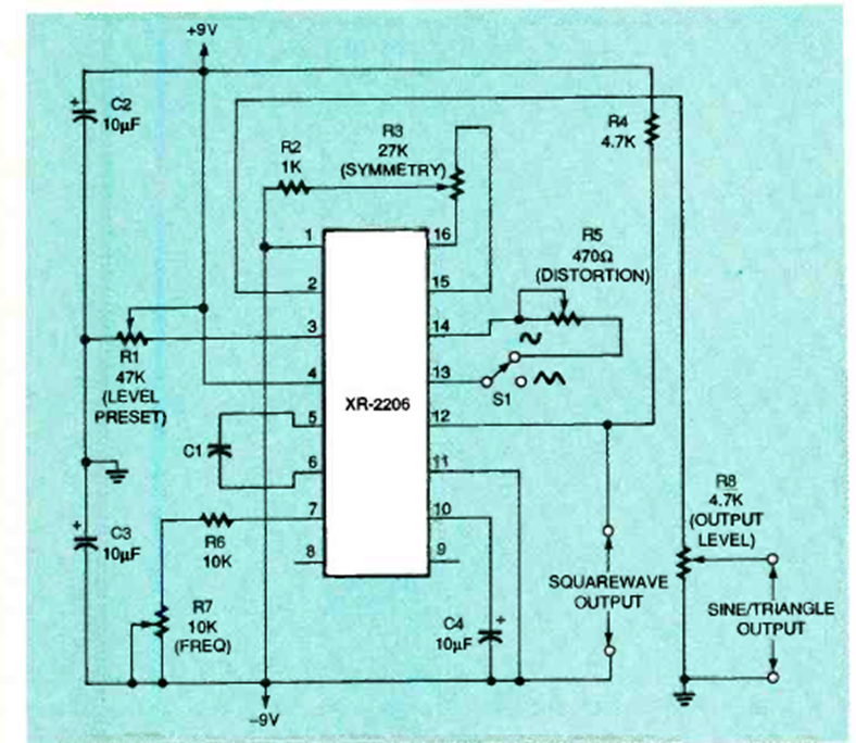
Este circuito con fuente de alimentación simétrica genera señales sinusoidales, triangulares y rectangulares. Lo encontramos en la revista Electronics Now de enero de 1996. La frecuencia sube hasta unos pocos megahertz.
Este circuito utiliza los flip-flops del circuito anterior para implementar un contador binario de 3...
Este circuito fue encontrado en una edición de 1987 de la revista Hands On Electronics de Estados...
Este circuito de detector de paso por cero o cero crossing detector produce un pulso de salida cada...