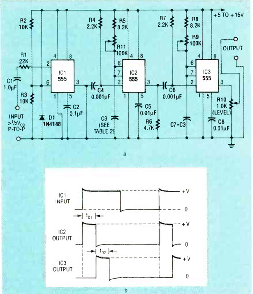
Encontrado en un artículo de la revista Radio Electronics de septiembre de 1992, este circuito genera un pulso como se indica en el gráfico debajo del diagrama. Los tiempos se pueden cambiar cambiando C3 y C7.
Este circuito utiliza los flip-flops del circuito anterior para implementar un contador binario de 3...
Este circuito fue encontrado en una edición de 1987 de la revista Hands On Electronics de Estados...
Este circuito de detector de paso por cero o cero crossing detector produce un pulso de salida cada...