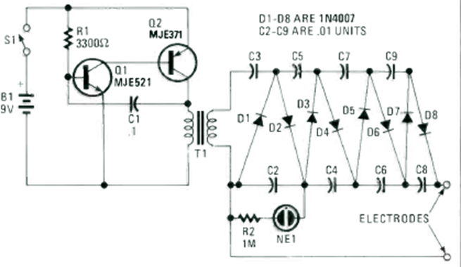
Esta defensa electrónica fue encontrada en el número especial de 1990 de la revista Radio Electronics Experimenter. Genera una tensión de unos pocos cientos de volts.
Este circuito utiliza los flip-flops del circuito anterior para implementar un contador binario de 3...
Este circuito fue encontrado en una edición de 1987 de la revista Hands On Electronics de Estados...
Este circuito de detector de paso por cero o cero crossing detector produce un pulso de salida cada...