Este circuito fue encontrado en la revista Electronics Now de agosto de 1997. El circuito utiliza sistemas operativos conocidos y genera señales de hasta 20 kHz.
Este circuito utiliza los flip-flops del circuito anterior para implementar un contador binario de 3...
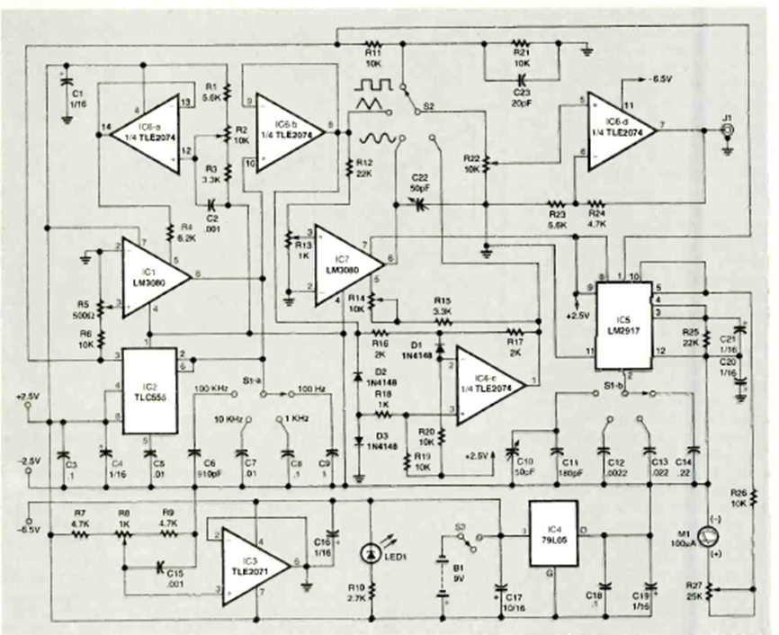
Este circuito fue encontrado en una edición de 1987 de la revista Hands On Electronics de Estados...
Este circuito de detector de paso por cero o cero crossing detector produce un pulso de salida cada...