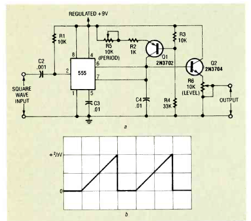
Este circuito genera una señal de diente de sierra lineal. El circuito se descubrió en la edición de diciembre de 1992 de la revista Radio Electronics. La frecuencia máxima ronda los 200 kHz.

Este circuito genera una señal de diente de sierra lineal. El circuito se descubrió en la edición de diciembre de 1992 de la revista Radio Electronics. La frecuencia máxima ronda los 200 kHz.
