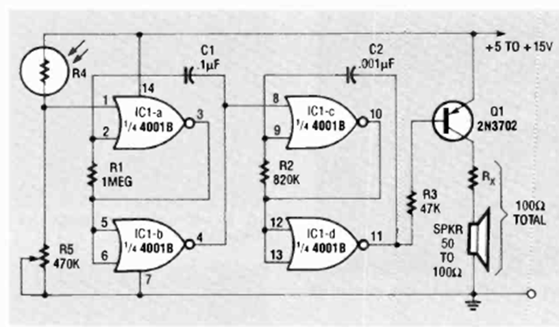
Este circuito de alarma se encontró en la edición de julio de 1992 de la revista Radio Electronics. El circuito utiliza una pequeña etapa de potencia para el altavoz y tiene un ajuste de sensibilidad en R5.
Encontrado en una documentación de Philips de 1967, este circuito está destinado a aplicaciones con TV...
Este circuito es de la documentación de 1973. El transformador tiene 500 mA de corriente y el...
Este circuito secuencial con un acoplador óptico se encontró en una Popular Electronics de los...