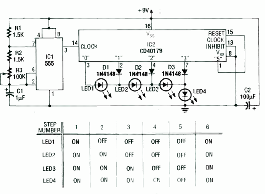
Este circuito tiene los efectos indicados en la tabla al lado del diagrama. Lo encontramos en la revista Radio Electronics de febrero de 1992. El circuito tiene su velocidad dependiente de C1 y ajustada en R3.
Este circuito salió en una Electronics Now, publicación americana de enero de 1996. El circuito puede...
Con un toque en un sensor es posible encender o apagar las lámparas incandescentes. El circuito no...
Esta ultra simple fuente de 9 V se obtuvo en una publicación de Argentina de de 1970, y sin...