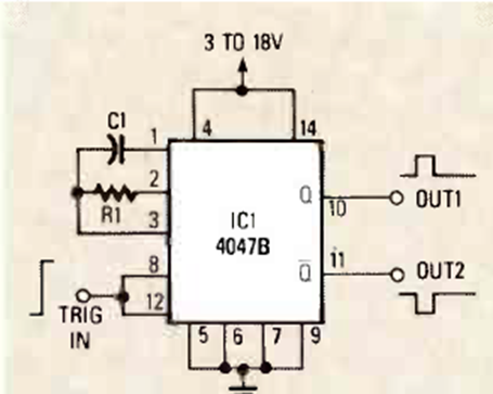
Este circuito reactivable se encontró en la revista Radio Electronics de abril de 1988. Los tiempos se fijan mediante R1 y C1.

Este circuito reactivable se encontró en la revista Radio Electronics de abril de 1988. Los tiempos se fijan mediante R1 y C1.
