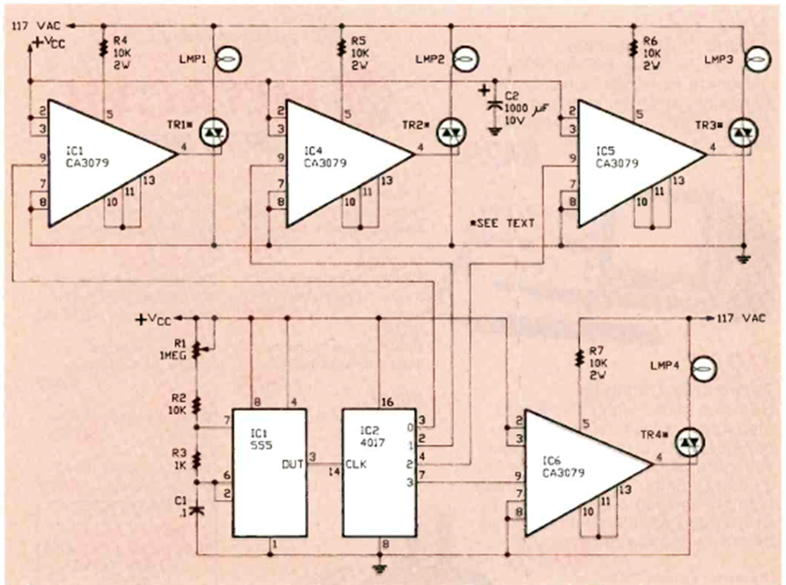
Encontramos este circuito en la revista Radio Electronics de febrero de 1987. Se basa en un disparador triac RCA integrado disponible en ese momento. El circuito alimenta 4 lámparas incandescentes.
Encontrado en una documentación de Philips de 1967, este circuito está destinado a aplicaciones con TV...
Este circuito es de la documentación de 1973. El transformador tiene 500 mA de corriente y el...
Este circuito secuencial con un acoplador óptico se encontró en una Popular Electronics de los...