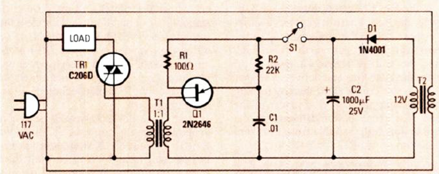
Este circuito es uno de los muchos de su tipo que se pueden encontrar en este sitio. Esto es de Radio Electronics de septiembre de 1987. El triac debe controlarse según la carga.
Una solución interesante para sistemas de comunicación rápida, aviso de funcionamiento,...
Una solución bastante atractiva aún en nuestros días para un amplificador de baja potencia simple...
El circuito presentado produce el sonido de las sirenas de la policía inglesa con excelente volumen...