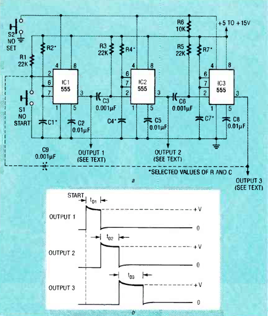
Este interesante circuito que genera pulsos retardados se encontró en la revista Radio Electronics de septiembre de 1992. Los tiempos se pueden modificar seleccionando los valores adecuados de C1, C4 y C7.
Encontrado en una documentación de Philips de 1967, este circuito está destinado a aplicaciones con TV...
Este circuito es de la documentación de 1973. El transformador tiene 500 mA de corriente y el...
Este circuito secuencial con un acoplador óptico se encontró en una Popular Electronics de los...