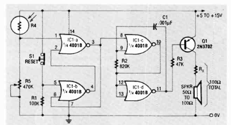
Esta alarma integrada CMOS se encontró en la revista Radio Electronics de julio de 1992. El circuito tiene una pequeña etapa de potencia y su sensibilidad se ajusta en R5.
Encontrado en una documentación de Philips de 1967, este circuito está destinado a aplicaciones con TV...
Este circuito es de la documentación de 1973. El transformador tiene 500 mA de corriente y el...
Este circuito secuencial con un acoplador óptico se encontró en una Popular Electronics de los...