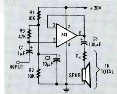
Este circuito de unas pocas decenas de miliwatts de potencia requiere una fuente simple. Lo encontramos en una Radio Electrónica de marzo de 1990.

Este circuito de unas pocas decenas de miliwatts de potencia requiere una fuente simple. Lo encontramos en una Radio Electrónica de marzo de 1990.
