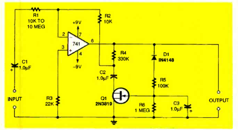
Este circuito fue encontrado en la revista Electronics Now de marzo de 1995. El circuito requiere una fuente simétrica y el FET es un tipo común de propósito general.
Encontrado en una documentación de Philips de 1967, este circuito está destinado a aplicaciones con TV...
Este circuito es de la documentación de 1973. El transformador tiene 500 mA de corriente y el...
Este circuito secuencial con un acoplador óptico se encontró en una Popular Electronics de los...