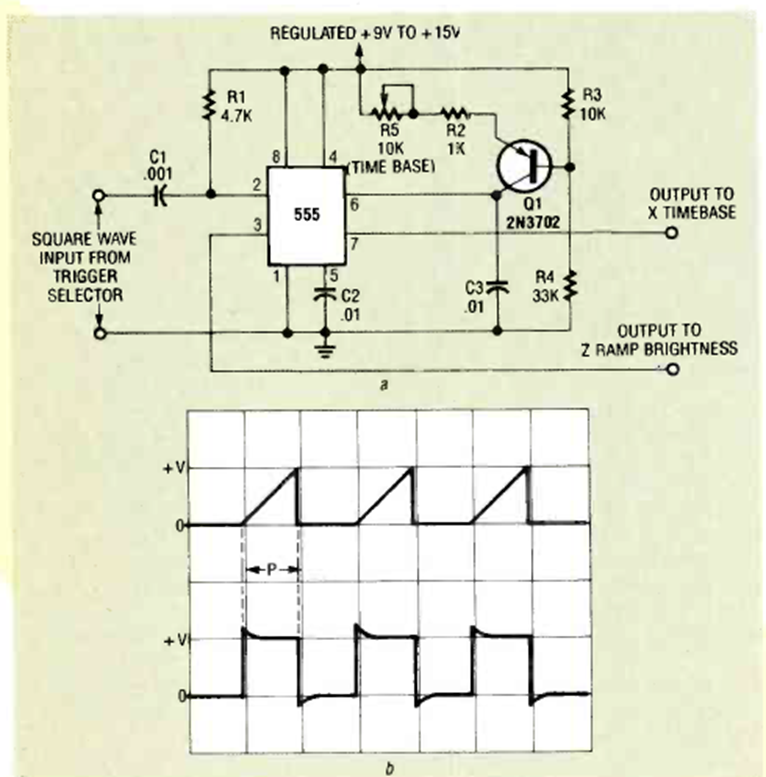
Este circuito que genera una señal de diente de sierra lineal se puede utilizar en un osciloscopio de rango de frecuencia. El circuito fue encontrado en la edición de diciembre de 1992 de la revista Radio Electronics.
Encontrado en una documentación de Philips de 1967, este circuito está destinado a aplicaciones con TV...
Este circuito es de la documentación de 1973. El transformador tiene 500 mA de corriente y el...
Este circuito secuencial con un acoplador óptico se encontró en una Popular Electronics de los...