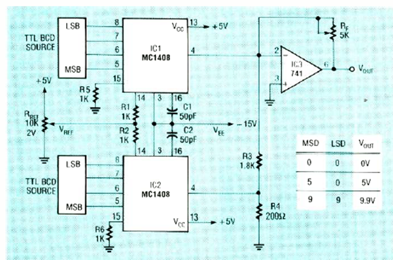
Este interesante circuito convierte señales BCD en un voltaje que puede utilizarse en una aplicación analógica. El circuito fue encontrado en la edición de julio de 1991 de la revista Radio Electronics.
Encontrado en una documentación de Philips de 1967, este circuito está destinado a aplicaciones con TV...
Este circuito es de la documentación de 1973. El transformador tiene 500 mA de corriente y el...
Este circuito secuencial con un acoplador óptico se encontró en una Popular Electronics de los...