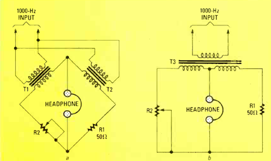
Este circuito se puede utilizar como cancelador de ruido para receptores de comunicación o incluso para receptores comunes. El circuito es de una Radio Electrónica de marzo de 1987. La impedancia del teléfono determina las características de los transformadores.




