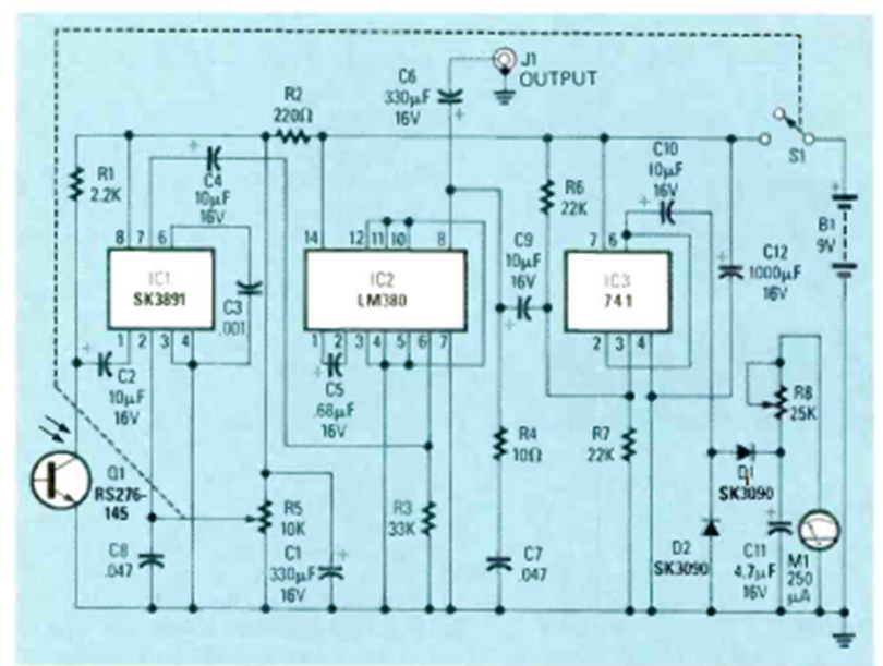
Este circuito recibe las señales moduladas reflejadas por un láser en el cristal de una ventana, permitiendo escuchar conversaciones. El circuito es de un proyecto de la revista Radio Electronics de octubre de 1987.
Encontrado en una documentación de Philips de 1967, este circuito está destinado a aplicaciones con TV...
Este circuito es de la documentación de 1973. El transformador tiene 500 mA de corriente y el...
Este circuito secuencial con un acoplador óptico se encontró en una Popular Electronics de los...