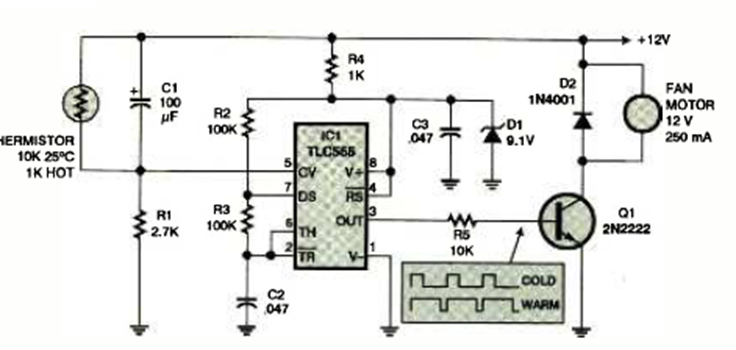
Encontrado en la revista Electronics Now de febrero de 1997, este circuito controla motores según el transistor utilizado. Para el transistor indicado, la corriente máxima es de 200 mA.
Encontrado en una documentación de Philips de 1967, este circuito está destinado a aplicaciones con TV...
Este circuito es de la documentación de 1973. El transformador tiene 500 mA de corriente y el...
Este circuito secuencial con un acoplador óptico se encontró en una Popular Electronics de los...