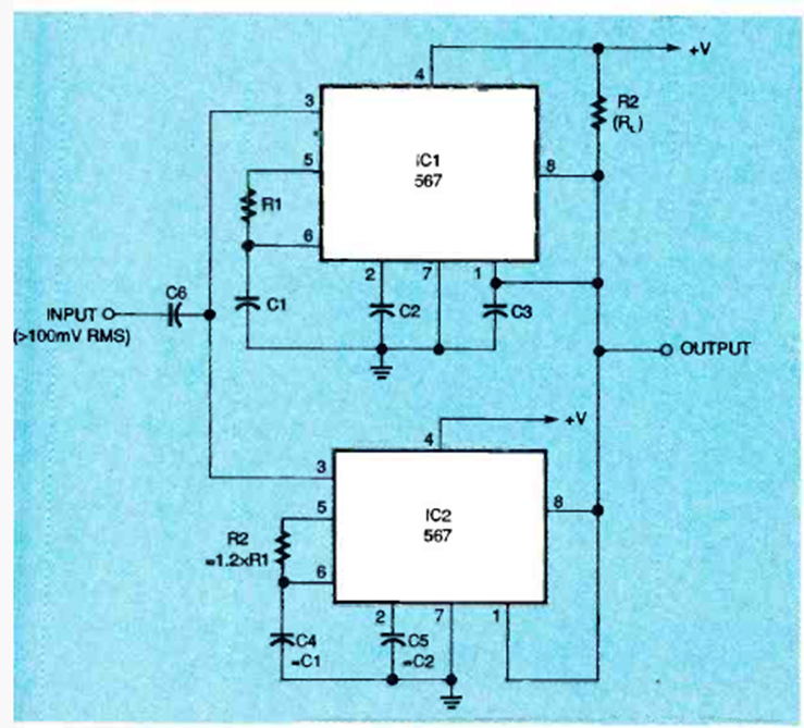
Este decodificador de dos tonos tiene un ancho de banda del 24%. El circuito es de un Electronics Now de 1994. Los componentes sin valor determinan la frecuencia reconocida.
Encontrado en una documentación de Philips de 1967, este circuito está destinado a aplicaciones con TV...
Este circuito es de la documentación de 1973. El transformador tiene 500 mA de corriente y el...
Este circuito secuencial con un acoplador óptico se encontró en una Popular Electronics de los...