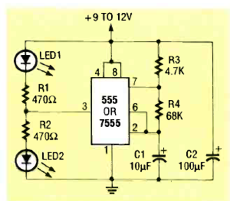
Este circuito fue sugerido en un artículo de la revista Radio Electronics en enero de 1992. Se pueden obtener otras frecuencias cambiando C1.

Este circuito fue sugerido en un artículo de la revista Radio Electronics en enero de 1992. Se pueden obtener otras frecuencias cambiando C1.
