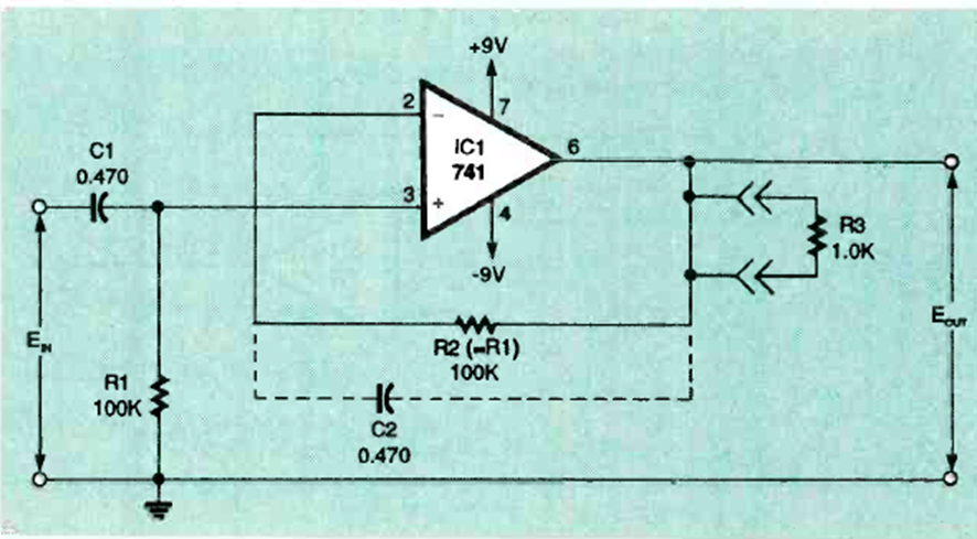
Este circuito fue encontrado en la revista Electronics Now de enero de 1995. Su configuración es válida para otros operacionales. La fuente debe ser simétrica.
Encontrado en una documentación de Philips de 1967, este circuito está destinado a aplicaciones con TV...
Este circuito es de la documentación de 1973. El transformador tiene 500 mA de corriente y el...
Este circuito secuencial con un acoplador óptico se encontró en una Popular Electronics de los...