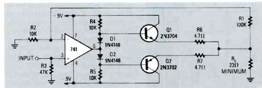
Este amplificador de audio con transistores de uso general en la salida fue encontrado en la revista Radio Electronics de marzo de 1990. La fuente de alimentación debe ser simétrica.
Encontrado en una documentación de Philips de 1967, este circuito está destinado a aplicaciones con TV...
Este circuito es de la documentación de 1973. El transformador tiene 500 mA de corriente y el...
Este circuito secuencial con un acoplador óptico se encontró en una Popular Electronics de los...