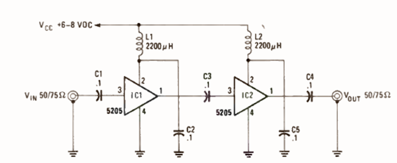
Utilizando el circuito integrado NE5205, este circuito fue encontrado en la revista Radio Electronics de mayo de 1987. Puede amplificar señales de hasta 450 MHz.
Encontrado en una documentación de Philips de 1967, este circuito está destinado a aplicaciones con TV...
Este circuito es de la documentación de 1973. El transformador tiene 500 mA de corriente y el...
Este circuito secuencial con un acoplador óptico se encontró en una Popular Electronics de los...