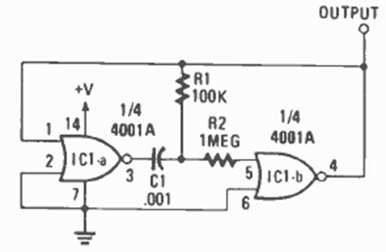
Este oscilador se encontró en la revista Radio Electronics de enero de 1987. La frecuencia viene dada por C1 y la salida tiene buena simetría. La fuente de alimentación suele oscilar entre 3 y 12 V.
Encontrado en una documentación de Philips de 1967, este circuito está destinado a aplicaciones con TV...
Este circuito es de la documentación de 1973. El transformador tiene 500 mA de corriente y el...
Este circuito secuencial con un acoplador óptico se encontró en una Popular Electronics de los...