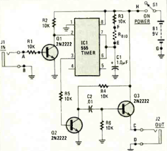
Este sencillo circuito de biorretroalimentación 555 se encontró en la revista Radio Electronics de diciembre de 1983. El circuito funciona con baterías y la señal se aplica a unos auriculares de alta impedancia.

Este sencillo circuito de biorretroalimentación 555 se encontró en la revista Radio Electronics de diciembre de 1983. El circuito funciona con baterías y la señal se aplica a unos auriculares de alta impedancia.
