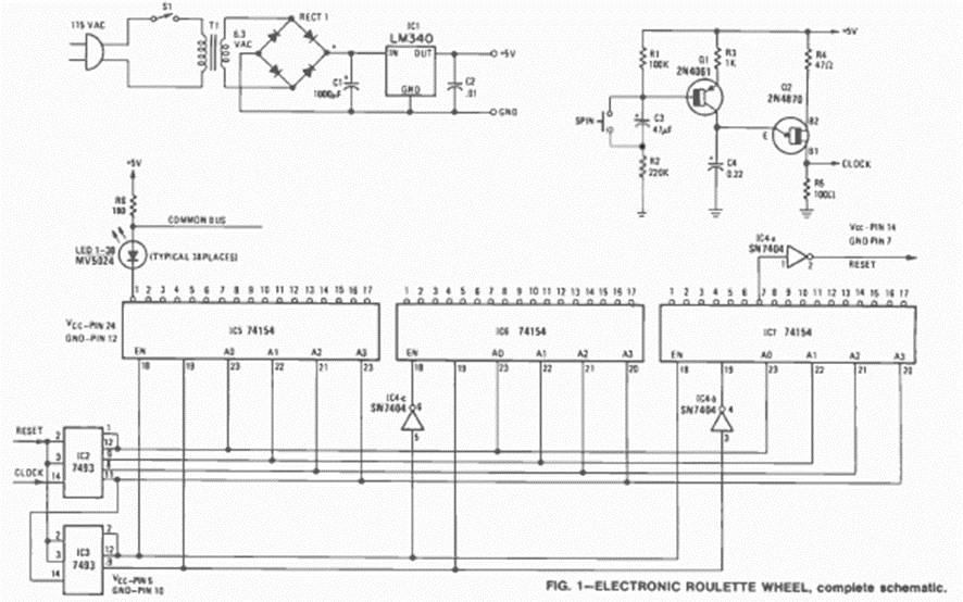
Este juego con circuitos lógicos digitales fue encontrado en la revista Radio Electronics de diciembre de 1976. El circuito incluye la fuente de alimentación que acciona un conjunto de LED.
Encontrado en una documentación de Philips de 1967, este circuito está destinado a aplicaciones con TV...
Este circuito es de la documentación de 1973. El transformador tiene 500 mA de corriente y el...
Este circuito secuencial con un acoplador óptico se encontró en una Popular Electronics de los...