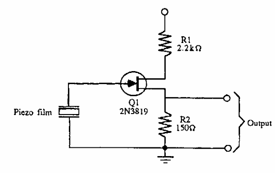
Este circuito se encontró en la documentación estadounidense de los años 90. Sirve como amplificador para un transductor piezoeléctrico.

Búfer piezoeléctrico
Este circuito se encontró en la documentación estadounidense de los años 90. Sirve como amplificador para un transductor piezoeléctrico.
