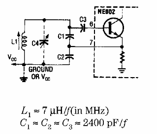
Este circuito se obtuvo de una Radio Electronics de los años 90. Puede generar señales de hasta unas pocas decenas de megahertz dependiendo del circuito oscilante.

Oscilador Colpitts
Este circuito se obtuvo de una Radio Electronics de los años 90. Puede generar señales de hasta unas pocas decenas de megahertz dependiendo del circuito oscilante.
