En el artículo de mi autoría describí el circuito integrado 7106/7107, que consiste en un par destinado a hacer la conversión analógica / digital con 3 y medio dígitos. El primero excita una pantalla de cristal líquido y el segundo un dlsplay de LEDs. En la ocasión, dimos varios circuitos aplicaciones, dejando sin embargo la posibilidad de presentar proyectos más elaborados para una futura edición. Pues bien, volvemos ahora con una aplicación bastante interesante que es un termómetro de precisión para operación en el rango de 25 a 85° C con el sensor Indicado.
Un termómetro digital con las características presentadas en este proyecto puede tener tanto aplicaciones profesionales como también recreativas.
Con una definición de 0,1° C se puede utilizar para el control de cámaras de enfriamiento, invernaderos, maquinaria en general e incluso para indicar la operación de sistemas de aire acondicionado.
El circuito es relativamente simple, al que la parte más compleja, la conversión de la información analógica proveniente del sensor en información digital, es hecha por un único integrado, el 7107.
Una parte del proyecto un poco más compleja es la fuente, ya que el circuito requiere dos tensiones, negativas y positivas lo que implica una doble fuente simétrica de 5 y de 15 V.
Sin embargo, el consumo de la unidad es extremadamente bajo, lo que posibilita el uso de un transformador de pequeñas dimensiones.
Podemos decir que la mayor parte del consumo se debe a los displays, eso en la versión con LEDs, que se presenta en este proyecto.
Por otro lado, una característica importante del sensor usado es su linealidad en el rango de temperaturas medidas, lo que garantiza una buena precisión en las aplicaciones profesionales.
Los sensores equivalentes se pueden utilizar si el rango de temperaturas a medir es otro.
CARACTERÍSTICAS
Tensión de entrada: 110/220 V c.a.
Tensión de alimentación de los circuitos: 15-0-15 V y 5-0-5 V, de fuentes simétricas
Número de dígitos: 3 y medio
• Frecuencia de funcionamiento del convertidor A / D: 50 kHz (aprox.)
Como funciona
Comenzamos, en este análisis, por el sensor de temperatura de National Semiconductor (ahora Texas Instruments), el LM3911.
Este sensor consiste en un circuito integrado que proporciona en su salida una tensión linealmente dependiente de la temperatura.
La tensión de salida es dada por la fórmula:
Vs = T x 10-2
Donde la Vs se da en volts y T es la temperatura absoluta (Kelvin).
Haciendo la conversión a grados centígrados, podemos establecer la siguiente fórmula que relaciona la temperatura del sensor con la tensión de salida:
Vs = (273,16 + 1) x 102
Para una temperatura ambiente de aproximadamente 20 °C, la tensión de salida de este integrado estará alrededor de 3 V.
Como el sensor LM3911 tiene una variación de tensión de salida de 10 mV / K, es fácil percibir que en el rango de - 25 a + 85° C la tensión de salida variará entre aproximadamente - 2,5 y 9,5 V aproximadamente.
En la utilización del sensor en un termómetro digital, el primer cuidado importante en el diseño es hacer que 0° C coincida con la indicación 00.0.
Esto se logra trabajando en el propio bloque del sensor que es alimentado con fuente simétrica y posee en R1, R2, R3, R4 y P2 los elementos que posibilitan este ajuste.
En torno a cero volt ajustado en este circuito tenemos entonces las tensiones correspondientes a las temperaturas medidas, que se aplican al bloque siguiente del circuito, el convertidor A/D 7107.
Para detalles del funcionamiento de este integrado sugerimos consultar los artículos mencionados en la introducción.
Lo que podemos decir es que este circuito posee todos los elementos internos que permiten la conversión de la información analógica en una información digital a tres dígitos y medio, o sea, entre - 199,9 a + 1,999.
En nuestro caso, utilizaremos sólo el rango de - 25,0 a + 85,0 que corresponde a los umbrales del sensor indicado.
En la conversión existe un oscilador que determina la velocidad de muestreo de las señales y cuyos componentes responsables de su frecuencia en nuestro proyecto son C7 y R9. En el caso, esta frecuencia es del orden de 50 kHz.
El trimpot P1 fija la tensión de referencia para el circuito a partir de un sistema interno que la regula en aproximadamente 2,8 V.
Las funciones de los demás componentes pueden ser verificadas por el artículo en que describimos el 7107.
La salida del 7106 es para displays de cristal líquido mientras que las del 7107, que es nuestro caso, proporcionan 8 mA cada una, para los segmentos de displays comunes de 7 segmentos, de cátodo común.
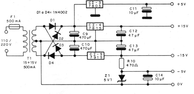
La fuente de alimentación del circuito debe proporcionar 4 tensiones, siendo dos positivas y dos negativas.
Para las tensiones de 15 V usamos reguladores integrados; si bien el consumo es bajo y permite el uso de las versiones de 200 mA, en su defecto las versiones comunes de la serie 78 y 79 de 1 A pueden ser usadas, por ser más fáciles de encontrar.
Para los 5 V positivos, como tenemos la alimentación de los displays de cátodo común, necesitamos una corriente mayor, de ahí que sea indicado el 7805.
Sin embargo, para los 5 V negativos que sólo sirven de referencia para el convertidor AD, y que por lo tanto tiene bajo consumo, se utiliza un zener.
Tanto el sector de fuente como el sector de displays se pueden montar en bloques separados para mayor facilidad de uso e instalación en una placa.
En el caso del sensor, si tiene que ser colocado lejos del aparato se recomienda el uso de cable blindado.
MONTAJE
En la figura 1 tenemos el diagrama del sector de Convertidor A/D con el sensor.

La placa de circuito impreso para este sensor se muestra en la figura 2.

Es interesante montar el circuito integrado en un zócalo DlL de 40 pines para mayor seguridad. Recordamos que existen módulos listos para la venta, que ya contienen este integrado, el display de LEDs o cristal líquido, conforme a la versión, y una buena parte de los componentes externos necesarios para la implementación del proyecto.
El lector debe considerar la posibilidad de su uso.
Los resistores son todos de 1/8 W con un 5% o más de tolerancia y para mayor precisión de ajuste se pueden utilizar trimpots del tipo multivueltas.
Para las aplicaciones convencionales podemos utilizar trimpots comunes, siguiendo el diseño original de la placa.
Los capacitores electrolíticos deben tener tensiones de trabajo de acuerdo con el indicado en la lista de materiales.
Los demás capacitores pueden ser de poliéster o cerámicos, conforme disponibilidad en el comercio local y valor.
Cl-1 debe ser un LM3911 de National, pero existen equivalentes que, sin embargo, requieren cambios en el sector de alimentación y ajustes.
Los displays son de cátodo común y pueden ser montados en placa separada con layout conforme sugiere la figura 3.

Evidentemente, en función del tamaño de los displays disponibles o requeridos por la aplicación. se debe cambiar el diseño de la tarjeta.
En la figura 4 tenemos el diagrama completo de la fuente de alimentación.

La disposición de los componentes de esta fuente en una placa de circuito impreso se muestra en la figura 5.

El transformador tiene una corriente de secundario de al menos 500 mA.
Cl-3 es el único circuito integrado que eventualmente necesitará un radiador de calor.
Z1 tanto puede ser de 5,1 V como 4,7V con disipación de al menos 400 mW.
El resistor R10 es de 1/2 W y el fusible de protección de 500 mA.
El transformador quedará fuera de la placa para mayor facilidad de instalación del conjunto en una caja.
Las conexiones de la placa de la fuente a la placa del convertidor ND deben ser lo más cortas posibles.
AJUSTES Y USO
Para ajustar necesitamos una referencia de temperatura.
Inicialmente podemos usar hielo fundente para obtener cero grados cuando entonces ajustamos P1 para obtener la indicación 00,0 en los displays.
Una idea para tener un ajuste preciso usando hielo fundente es colocar el sensor en un tubo plástico que impida la penetración de agua y sumergirlo en el líquido por un tiempo que garantice el equilibrio térmico.
Al menos 10 minutos serán necesarios para que esto ocurra. El segundo ajuste consiste en colocar el sensor en un ambiente de temperatura más alto, pero conocido y ajustarse P1 para la lectura correspondiente.
Una idea sería utilizar el medio ambiente con referencia a un termómetro preciso. También debemos dejar el sensor un buen tiempo en el ambiente elegido hasta obtener el equilibrio térmico.
Otra posibilidad sería usar nuestro propio cuerpo (siempre que no estemos con fiebre) lo que permite hacer un ajuste de aproximadamente 37,4 °C con buena precisión.
Hecho los ajustes es sólo utilizar el aparato.
Semiconductores
CI-1 - LM3911 - sensor de temperatura
CI-2 - ICL7107 - circuito integrado convertidor AD
CI-3 - 7805 - regulador de tensión
CI-4 - 7915 - regulador de tensión
CI-5 - 7815 - regulador de tensión
Z1 - 5V1 - diodo zener de 5.1V x 400 mW
D1 a D4 - 1N4002 o equivalentes diodos de silicio
LED1 - LED rojo común
Display - Display de 7 segmentos - 3 de cátodo común
Resistores: (1/8 W, 5%)
R1 - 12 k ohms
R2 - 22 k ohms
R3 - 5,6 k ohms
R4 - 33 k ohms
R5 - 1 M ohms
R6, R9- 470 k ohms
R7- 1.5 k ohms
R8, - 220 ohms x 1/2 W
P1 - 1 k ohms - trimpot
P2 - 10 k ohms- trimpot
Capacitores:
C1 - 100 uF x 6 V - electrolítico
C2 - 22 uF x 12 V - electrolítico
C3 - 100 nF - poliéster o cerámico
C4 - 47 nF - poliéster o cerámico
C5 - 220 nF - poliéster o cerámico
C6 - 10 nF - poliéster o cerámico
C7 - 100 pF - cerámico
C8 - 100 uF x 6 V - electrolítico
C9, C10 - 470 uF x 25 V - electrolíticos
C11, C14 - 10 uF x 6 V - electrolíticos
C12, C13 - 47 uF x 25 V - electrolíticos
Varios:
F1 - 500 mA - fusible
T1 - transformador con primario de acuerdo con la red local y secundaria de 15 + 15 V x 500 mA.
Placa de circuito impreso, sockets para los integrados, caja para montaje, soporte de fusible, hilos, soldadura, etc.



