¡Un efecto diferente para tu voz! Hable como un robot, doblando la frecuencia de sus palabras, obteniendo con ello un efecto de audio que el reproductor aparecerá. Simple de montar, hace uso de micrófono de cristal y puede ser conectado a cualquier aparato de sonido, ya sea de mesa. ya sea del tipo casete, para la realización de grabaciones. Si el reproductor tiene un conjunto musical, puede realmente cantar de una manera muy diferente con este aparato.
El distorsionador de voz no es más que una carpeta de la frecuencia de la voz.
En esta multiplicación por dos de la frecuencia de su voz, obtenemos un efecto realmente importante: subimos una octava la tonalidad, pasando a hablar con un timbre que se asemeja a un robot.
El aparato que llevamos al lector está diseñado para operar con micrófono de cristal, posibilitando así la operación directa con cualquier equipo adicional de audio, pues tiene su salida acoplada a la entrada de amplificadores, grabadores e incluso transmisores!
Es claro que existe aún la posibilidad adicional, mostrada en la figura 1, de conectar diversos micrófonos a un mezclador, y la salida de éste a nuestro aparato, obteniéndose con ello un verdadero conjunto con voz de robot.

El montaje del aparato no ofrece muchas dificultades, ya que sólo transistores comunes son los elementos básicos usados, pero se recomienda la utilización de placa de circuito impreso, pues trabajamos con señales de audio de baja intensidad.
Como el lector sabe, estas señales están sujetos a interferencias por ruidos de la red en los circuitos de mayor ganancia.
La alimentación se realiza con una tensión de 18 V.
La salida tiene una señal de aproximadamente 500 mV de amplitud, lo que es suficiente para excitar la mayoría de los amplificadores.
COMO FUNCIONA
El secreto de modificar el timbre de la voz en las condiciones de hacerla similar a la de un robot, que tomamos como comparación, consiste en doblar la frecuencia sin modificar sensiblemente la forma de onda.
Así, tomando como base la forma de onda de un sonido cualquiera, como el mostrado en la figura 2 (a), podemos después de una rectificación de onda completa obtener la forma mostrada en la figura 2 (b).

Para quien oye, esta simple modificación tiene efectos interesantes.
En el caso de la palabra hablada, o incluso de la música, la inteligibilidad (o la nota musical), se mantiene pero se vuelve más aguda y con un toque diferente.
Para lograr esto en un circuito electrónico no podemos usar simplemente un par de diodos como en una fuente, como en principio podría parecer posible.
Esto sucede porque un micrófono común, dinámico, o incluso cristal, proporciona una señal cuya amplitud es muy pequeña para poder excitar un diodo.
Mientras que los micrófonos suministran salidas que varían de 0,01 a 0,5 V, los diodos de silicio, por ejemplo, necesitan al menos 0,6 V para empezar a conducir.
Si el micrófono se conecta directamente a un puente de diodos, el resultado de esta no linealidad de conducción al principio de su curva característica introduciría distorsiones en la señal, lo que no es deseable. (figura 3)

Lo que necesitamos hacer es trabajar con una señal amplificada, cuya amplitud alcance un punto bien por encima de aquel en que diodos comunes empiezan a conducir.
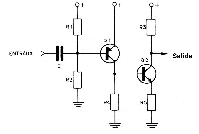
Tenemos para eso, el circuito en bloques de la figura 4.

El primer bloque es justamente el paso preamplificador que utiliza dos transistores. Su sensibilidad es suficiente para admitir micrófonos de cristal. (figura 5)

Después de la amplificación, la señal alcanza una amplitud suficientemente grande para ser llevada al bloque rectificador y doblador de frecuencia, que tiene el circuito básico mostrado en la figura 6.

Conforme el lector puede ver, esta configuración se basa en un transistor y dos diodos como elementos más importantes, y operando de un modo poco común.
La resistencia de emisor de este transistor tiene el mismo valor de la resistencia de colector, de modo que las señales tomadas tanto del emisor y del colector tienen la misma intensidad.
Sin embargo, estas señales están desfasadas, ya que el transistor sólo conduce a los semiciclos positivos.
El resultado es que estas señales pueden ser llevadas en desfase a un puente de diodos donde se suman, apareciendo de la forma indicada al inicio de nuestras explicaciones, o sea, con la frecuencia doblada.
Después de eso es sólo dar una pequeña amplificación, para compensar las pérdidas en este proceso, lo que se hace en el tercer bloque, y estará listo para ser llevado a un amplificador.
En el tercer paso, tenemos en el tercer paso un amplificador seguidor de emisor, para garantizar una mayor impedancia de entrada y buena ganancia, utilizando un transistor NPN de uso general común.
Importante en este circuito es trabajar con una fuente de tensión algo elevada, por los motivos que ya explicamos, pues tensiones bajas dificultaría la operación en la parte de rectificación.
En la parte práctica, recordamos que el circuito opera con señales de audio; lo que implica conexiones cortas o blindadas, y uso de cable blindado en la conexión al amplificador.
De la misma manera, el filtrado de la fuente debe ser hecho con electrolítico de gran valor.
LOS COMPONENTES
Todos los componentes son comunes, no hay ningún problema para su obtención.
El uso de caja metálica es recomendado para que sirva de blindaje, evitando así la captación de zumbidos.
En cuanto a los componentes electrónicos hacemos las siguientes observaciones:
Los transistores originales son los BC548 cuando NPN y BC558 cuando PNP, pero equivalentes sirven. Para los NPN tenemos los BC237, BC238 y BC547 y para el PNP los BC307, BC308 y BC557.
Los diodos son de uso general 1N4148 o 1N914 y para la fuente diodos rectificadores 1N4002 o equivalentes de mayor tensión.
Los electrolíticos deben tener una tensión de trabajo de al menos 25 V, mientras que los capacitores más pequeños son todos cerámicos o de poliéster metalizado.
Los resistores son de 1/8 W con cualquier tolerancia, mientras que P1 puede ser un potenciómetro de 22 k común (este es el único ajuste de aparato).
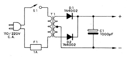
El transformador de la fuente tiene una tensión de secundario de 12 V con corriente de peaje menos 100 mA.
El lector necesitará algún material menos crítico que es la clave general, los jack de entrada y salida, hilos, soldadura, cable de alimentación, etc.
MONTAJE
Para la soldadura de los componentes recomendamos el uso de un hierro de pequeña potencia, máximo 30 W, y soldadura de buena calidad.
Las herramientas complementarias son las que creemos que todos los lectores practicantes de la electrónica poseen
En la figura 7 tenemos el diagrama completo de nuestro aparato, donde los componentes son representados por sus símbolos.

El montaje en placa de circuito impreso se da en la figura 8.

Al realizar el montaje, recomendamos que la siguiente secuencia sea acompañada para garantizar éxito en su final.
a) Solde en primer lugar todos los transistores, observando que Q1 es diferente de los demás, y que todos tienen su posición dada por la parte aplanada de su envoltura. Es muy rápido al soldar estos componentes, ya que son sensibles al calor.
b) Después solde los diodos D1 y D2, observando su polaridad dada por una banda en su envoltura. Sea rápido al soldar estos diodos, ya que son sensibles al calor.
c) Ahora es el turno de todos los resistores. Los valores de estos componentes son dados por las bandas de colores de acuerdo con la relación de material. Consulte si tiene preguntas. Estos componentes no tienen polaridad para seguir.
d) Complete ahora con la conexión de los capacitores. Ver que los electrolíticos tienen polaridad a seguir, la cual está marcada en su envoltura. Para los demás capacitores basta con seguir sus valores. Sea rápido, ya que son sensibles al calor.
e) Trabajando ahora en las conexiones externas, comenzamos por la conexión correspondiente a los jack de entrada y salida. Utilice los jack RCA para la salida. Un cable complementario blindado con un enchufe RCA en un extremo y un enchufe de acuerdo con la entrada auxiliar de su amplificador debe estar disponible.
f) Hacemos después la conexión del potenciómetro P1, usando cables cortos en longitud de acuerdo con la posición de este componente en la caja.
g) Completamos la parte principal con la conexión de la fuente de alimentación y el interruptor general.
Nota: el diagrama de la fuente se da en la figura 9. Los elementos para esta fuente tienen su descripción dada en la relación de material.

Después de todo esto podemos hacer la prueba de funcionamiento.
PRUEBA Y USO
Después de terminar el montaje, compruebe todas las conexiones y, si todo está en orden, conecte el aparato al amplificador y al micrófono, como se muestra en la figura 10.

Coloque el amplificador en 1/4 o mitad de su volumen, accione el interruptor general del aparato y hable delante del micrófono. Su voz debe salir con un timbre diferente. Ajuste el potenciómetro P1 para un mejor rendimiento del sistema.
El efecto de plegado de frecuencia será mejor percibido si el reproductor graba la voz.
Para usar es simple, bastando operar como durante la prueba.
Q1 - BC558 ~ transistores PNP de uso general
Q2, Q3, Q4 - BC548 o equivalente - transistores de uso general
D1, D2 - 1N4148 o equivalente - diodos de uso general
C1 - 47 nF - capacitor de poliéster
C2 - 22 uF x 25 V - capacitor electrolítico
C3 - 1 uF x 25 V - capacitor electrolítico
C4, C5 - 4,7 uF x 25 V-capacitores electrolíticos
C6 - 2,2, uF x 25 V - capacitor electrolítico
C7 - 10 uF x 25 V ~ capacitor electrolítico
C8 - 1 000 uF x 25 V - capacitor electrolítico
C9 - 10 nF - capacitor de cerámica
R1, R2 - 33 k x 1/8 W - resistores (naranja, naranja, naranja)
R3, R14, R15 - 100 k x 1/8 W - resistores (marrón, negro, amarillo)
R4, R7, R20 - 150 R x 1/8 W - resistores (marrón, verde, marrón)
R5, R6, R16 - 10 k x 1/8 W - resistores (marrón, negro, naranja)
R8, R19 - 27 k x 1/8 W - resistores (rojo, violeta, naranja)
R9 - 15 k x 1/8 W - resistor (marrón, verde, naranja)
R10 -1k5 x I / 8 W - resistor (marrón, verde, rojo)
R11 - 2k2 x 1/8 W - resistor (rojo, rojo, rojo)
R12 - 22 k x 1/8 W - resistor (rojo, rojo, naranja)
R13 - 4k7 x 1/8 W - resistor (amarillo, violeta, rojo)
R1 7, R18 - 39 k x 1/8 W - resistores (naranja, blanco, naranja)
R21 - 3k3 x 1/8 W - resistor (naranja, naranja, rojo)
P1 - 22 k - trimpot
Varios: placa de circuito impreso, jack de entrada y salida, cable blindado, caja para montaje, hilos simples, soldadura, etc.
Material para fuente:
T1 - transformador con primario de acuerdo con la red local y secundario de 12 + 12V x 100 mA
D1, D2 - diodos 1N4002 o equivalentes
CI - 100 a 25 V - capacitor electrolítico
Varios: cable de alimentación, interconexión símple, fusible de protección de 1A, soporte para fusible, fíos, soldadura, etc.



