Lo que este circuito hace es memorizar el accionamiento de un sensor, si se produce en un cierto período, indicando así si hubo una invasión o violación de una cerradura. Simple de montar él utiliza sensores reed.
Podemos instalar esta alarma en puertas, ventanas, cajones u objetos para indicar si en nuestra ausencia alguien entró en estos lugares o aún abrió un cajón removiendo o chisporroteando documentos.
El circuito es extremadamente simple siendo alimentado por pilas comunes o incluso una batería de 9 V.
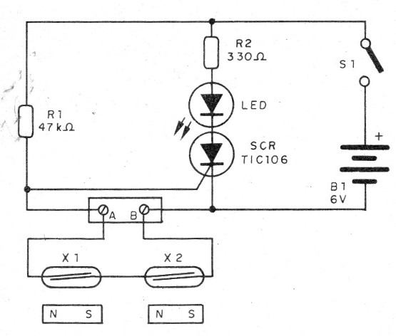
La idea es simple: un SCR alimenta un indicador LED que permanece apagado.
Si uno de los sensores es abierto por la remoción o el movimiento del imán que lo mantiene cerrado, el SCR dispara alimentando el LED.
Aunque el imán vuelva a su posición normal, cerrando nuevamente el sensor, en el caso de una puerta, ventana o cajón que estén cerrados, el SCR permanece disparado "memorizando" la invasión.
Así, cuando llegue, basta con comprobar si el LED está encendido o apagado.
Si el encontrarse encendido es señal de que hubo una invasión en su ausencia.
Para rearmar el circuito basta con reactivar los sensores acercando los imanes y desconectar y conectar nuevamente la alimentación del circuito.
Se pueden utilizar a partir de 1 reed en los sitios sensoriales.
En la figura 1 tenemos el diagrama completo del aparato.

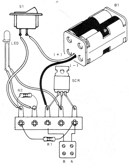
El montaje se puede realizar en un pequeño puente de terminales, como se muestra en la figura 2.

En la figura 3 tenemos el modo de posicionar los sensores para monitorear diversos tipos de invasiones.

El SCR es de cualquier sufijo, y el LED de cualquier color.
Los resistores son de 1/8 W con cualquier tolerancia y R2 puede ser mayor, hasta 2k2 para un menor consumo de energía.
En el montaje, observe la posición del SCR y la polaridad del LED y de la fuente de alimentación (pilas o batería).
Cualquier reed switch común puede ser utilizado en la alarma y su conexión puede ser hecha con hilo bien fino para mayor facilidad de ocultación.
SRC - TIC106 - SCR cm cualquier sufijo
LED - LED común de cualquier color
S1 - Interruptor simple
B1 - 6 o 9 V - pilas o pilas
X1, X2 - Reed switches
R1 - 47 k ohms - resistor - amarillo, violeta, naranja
R2 - 330 ohms - resistor - naranja, naranja, marrón
Varios:
Puente de terminales, soporte de pilas o conector de batería, hilos, soldadura, etc.



