Describimos un montaje simple y al mismo tiempo muy interesante que sirve para demostrar el principio de funcionamiento de los solenoides y electroimanes y al mismo tiempo algunos fenómenos relacionados con el electromagnetismo. Como trabajo escolar, además de atractivo tiene una buena finalidad didáctica.
Es un montaje experimental que además de poder ser usado en ferias de ciencias o trabajos escolares también sirve como juguete o juego. Se trata de un sistema simple que hace saltar una rana (bolita de papel o isopor) cada vez que presionamos un interruptor. Un concurso del tipo "quien consigue hacer la rana saltar más lejos" puede ser imaginado con base en este proyecto que utiliza pocos componentes que hasta pueden ser obtenidos en chatarra.
FUNCIONAMIENTO
Cargamos un capacitor con una tensión continua. El capacitor es de alto valor lo que significa que cuando cerramos el circuito presionando S1 y ocurre su descarga, una fuerte corriente circula por un altavoz colocado en este circuito. El resultado de ello es la producción de un chasquido fuerte acompañado de un movimiento del cono del altavoz que juega lejos una bolita de isopôr colocada en su interior.
Para el juego o juego la finalidad será verificar quién consigue hacer la bolita (representando a la rana) ir más lejos. Para fines didácticos la explicación será otra:
QUÉ EXPLICAR
Las corrientes eléctricas crean campos magnéticos y los capacitores pueden almacenar cargas estáticas (busque Botella de Leyden en las enciclopedias). Así, en este experimento tenemos dos fenómenos eléctricos implicados:
El primero consiste en cargar un capacitor con tensión continua. Como la red de energía proporciona tensión alternada a través de un transformador (T1) usamos un diodo para obtener tensión continua. Esta tensión carga el capacitor con una gran carga que se almacena hasta el momento en que se presiona el interruptor S1.
El alumno debe entonces explicar que presionando S1 el circuito de descarga formado por el altavoz y el propio interruptor está cerrado. Así, las cargas negativas que están en una de las armaduras del capacitor pueden fluir hasta la armadura donde están las cargas positivas y ahí ocurre su cancelación. La corriente que fluye es muy fuerte y al circular por la bobina del altavoz crea un fuerte campo magnético. El alumno puede hablar de Oesterd para mostrar que el campo magnético de una corriente depende de su intensidad y hasta de Ampère citando su experiencia que prueba la existencia de ese campo.
El resultado es que el campo creado actúa con el del imán que existe en el altavoz y con ello aparece una fuerza que mueve el cono. Es esta fuerza que mueve el cono cuando el altavoz reproduce sonidos, pero en nuestro caso con la descarga es un pulso único lo que tenemos es un chasquido y la bolita tirada lejos por su movimiento.
Ver que el movimiento (hacia adelante o hacia atrás) depende del sentido de la cadena. Así, si en el chasquido el cono es hacia atrás y no hacia delante debemos invertir las conexiones del altavoz. El alumno puede explicar esto en sus demostraciones. Haga carteles explicando el principio de funcionamiento. Llame la atención sobre el experimento en el área de física sobre capacitores y electromagnetismo.
MONTAJE
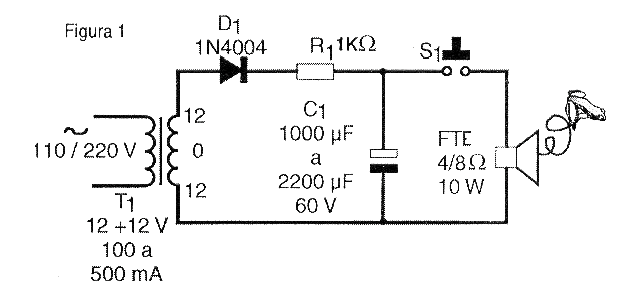
El circuito de carga del capacitor se muestra en la figura 1.

La disposición de los componentes en un pequeño puente de terminales (que debe quedar en una caja plástica para mayor seguridad, ya que el circuito es alimentado por la red de energía) se muestra en la figura 2.
El transformador tiene devanado primario de acuerdo con la red local y secundaria de 12 + 12 V con al menos 300 mA de corriente. El enrollamiento secundario se conecta para cargar el capacitor con una tensión de aproximadamente 36 V que corresponde al pico de 2 veces 12 voltios aproximadamente o 1,5 x 2 x 12.
El capacitor puede tener valores entre 1 000 y 2 000 uF con tensión de trabajo de al menos 40 V. El altavoz debe ser de al menos 10 cm de diámetro con potencia a partir de 10 vatios. Los tipos de imanes pesados dan mejores resultados. Las ranas tanto pueden ser bolitas de isopor como papel, o aún granos de frijol y tapones u otro material ligero de 0,5 a 2 cm de diámetro.
El altavoz se colocará ligeramente inclinado para jugar las ranas hacia delante.
Para probar el aparato coloque el altavoz con el cono en la posición indicada y una bolita de isopor. Encienda el aparato y espere unos segundos antes de presionar S1. Debe ocurrir un chasquido y la bolita debe tirarse lejos. Si el lanzamiento es muy débil debido al movimiento incorrecto del cono, invierte las conexiones del altavoz e inténtelo de nuevo.
SUGERENCIAS DE TRABAJOS
Se puede aprovechar este circuito para demostrar cómo funcionan los altavoces, de qué modo producen sonidos. Otra posibilidad de aplicación de este circuito es como verificador de la polarización de un altavoz por el movimiento que el cono hace en la descarga del capacitor.
LISTA DE MATERIAL
D1 - 1N4004 - diodo de silicio
R1 - 1 k ohms x 1 / 8W - resistor - marrón, negro, rojo
C1 - 1 000 uF a 2 200 uF x 40V o más - capacitor electrolítico
S1 - Interruptor de presión normalmente abierto
FTE - Altavoz común de 4 u 8 ohms de 10 cm o más
T1 - Transformador con primario según la red local y secundaria de 12 + 12 V y 300 mA o más
Varios:
Puente de terminales, caja plástica, cables, cable de alimentación, ranas de isopor u otro material, soldadura, etc.




