En muchas aplicaciones donde se necesita un sensor de luz el LDR es el elegido por su sensibilidad y bajo costo. Sin embargo, a falta de un LDR podemos usar un foto-transistor, pero para eso necesitamos modificar su modo de operación con un aumento de sensibilidad.
El circuito que presentamos tiene por finalidad permitir que una foto transistor común sea usada en lugar de un LDR en las aplicaciones en que la alimentación sea hecha por tensión continua y no supere los 12 volts.
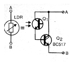
Utilizando un transistor Darlington de alta ganancia (30 000) aumentamos la sensibilidad de un foto-transistor de modo que se comporte de manera muy cercana a la de un LDR, en las aplicaciones comunes. En la figura 1 tenemos el circuito utilizado para este propósito.

En la figura 2 tenemos la disposición de los componentes usados en un puente de terminales.

En el caso de que se produzca un error en el sistema, se debe tener en cuenta que el uso de este tipo de aplicación, base. Para probar el circuito busque una aplicación en la que se utilice un LDR común y haga la sustitución. Observe la polaridad ya que el punto A debe funcionar con una tensión positiva con respecto a B.
En lugar del transistor Darlington BC517 el lector puede utilizar dos BC548 en la conexión equivalente.
LISTA DE MATERIAL
Semiconductores:
Q1 - cualquier foto-transistor
Q2 - BC517 - transistor Darlington NPN de pequeña potencia
Varios:
Puente de terminales, hilos, soldadura, etc.



