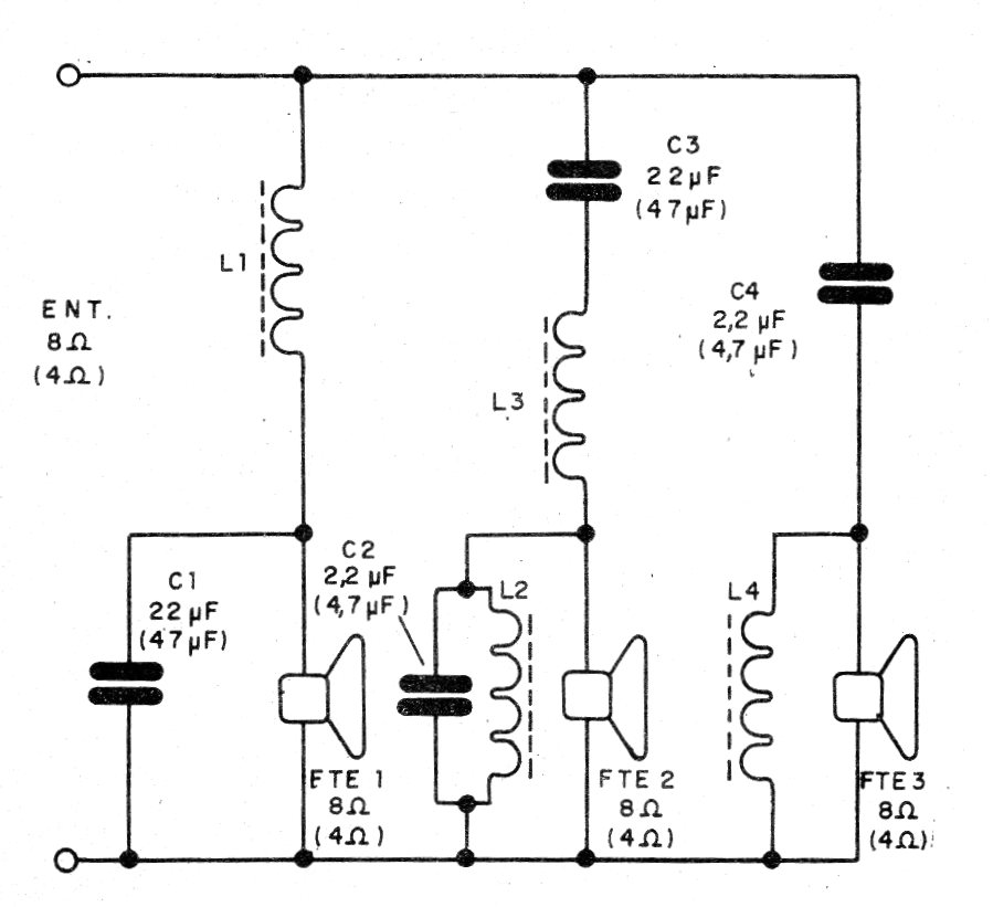
El divisor de frecuencias para altavoces que describimos, separa graves, medios y agudos para los altavoces correspondientes con una curva de atenuación de 12 dB por octava.
Este circuito puede ser utilizado con amplificadores de hasta 50 W y cargas de 4 ó 8 ohms, proporcionando una excelente separación.
En la figura 1 tenemos el diagrama del divisor.
En la figura 2 tenemos el aspecto real del montaje.
Los capacitores deben ser despolarizados y sus valores dependen de la impedancia. Los valores entre paréntesis son para sistemas de 4 ohms.
Todas las bobinas se enrollan con fo 18 o 20 en un carrete con núcleo de ferrita. L1 tiene 500 espiras, L2 tiene 140 espiras, L3 150 espiras, L4 tiene 100 espiras para el caso de carga de 4 ohms. Para 8 ohms, L1 tiene 280 espiras, L2 tiene 250 espiras, L3 tiene 100 espiras y L4 60 espiras.
Lista de material
L1, L2, L3, L4 - Bobinas, ver texto
C1 22 uF (8 ohms) o 47 uF (4 ohms)
C2 - 2,2 uF (8 ohms) o 4,7 uF (4 ohms)
C3 - 22 uF (8 ohms) o 47 uF (4 ohms)
Varios:
Hilos esmaltados, carrete, bastones de ferrita, hilos, soldadura, etc.





