Este divisor de frecuencias separa los canales agudos de los graves y medios de un sistema de sonido hasta 50 W. El circuito está indicado para cargas de 4 y 8 ohms.
El divisor de frecuencias que describimos tiene una buena separación y excelente calidad. Los inductores deben ser enrollados por los montadores y los capacitores deben ser del tipo despolarizado.
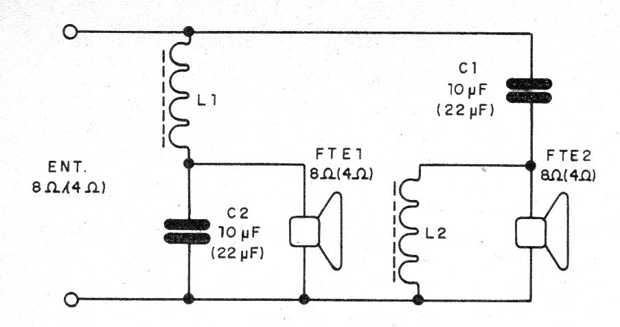
En la figura 1 tenemos el diagrama completo del divisor.
En la figura 2 tenemos el aspecto del montaje.
Tanto L1 como L2 consisten en 300 espiras de hilo 18 para altavoces de 8 ohms y 180 espiras para el caso de altavoces de 4 ohms.
Las bobinas se enrollan en carretes que tienen un bastón de ferrita como núcleo. Los capacitores deben ser del tipo despolarizado o dos electrolíticos en oposición. Utilizamos tipos de 10 uF x 25 V para 8 ohms y 22 uF x 25 V para 4 ohms.
Lista de material
L1, L2 - Bobinas - ver texto
C1, C2 - 10 ó 22 uF x 25 V - electrolíticos - ver el texto
FTE1, FTE2 - Tweeter y full-range
Varios:
Carrete, hilos esmaltados, etc.





