Describimos un control de brillo PWM digital con el 4093 para lámparas incandescentes y LED de alto brillo funcionando con 12 V. El circuito tiene varias aplicaciones prácticas interesantes y es fácil de montar.
El circuito descrito se basa en un circuito integrado 4093 y un transistor de efecto de campo de potencia (MOSFET) capaz de controlar lámparas y LEDs con una corriente máxima que llega a algunos ampères. Para el caso de alto brillo los circuitos deben tener sólo los LED y resistores limitadores, no sirviendo el control para lámparas de LED que poseen circuitos de excitación incorporados.
Lo que tenemos en este control es un oscilador con una de las puertas del 4093 funcionando con un control de ciclo activo, lo que permite controlar la anchura de los pulsos generados por un potenciómetro, como muestra la figura 1.
La anchura del pulso determina la potencia aplicada a la carga, como muestra la figura. La señal de este oscilador se aplica a las otras tres puertas del circuito integrado 4093 que funcionan como un amplificador digital, aumentando así la corriente de salida disponible.
La señal de esta etapa es entonces llevada a la conducción de un transistor de efecto de campo de potencia que controla la carga. Cualquier tipo de transistor de efecto de campo (MOSFET) puede ser utilizado, fijando este componente a la corriente máxima que puede ser controlada.
Los tipos de 2 a 10 A son comunes y tienen un costo bastante asequible.
Montaje
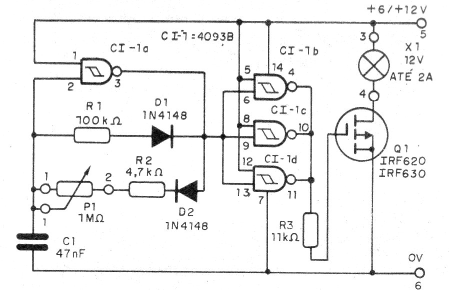
En la figura 2 tenemos el diagrama completo del control de potencia para lámparas y LED.
El montaje se puede realizar en una placa de circuito impreso con el patrón mostrado en la figura 3.
En el montaje, observe la posición de los circuitos integrados y la polaridad de los diodos. El transistor de potencia debe estar dotado de un radiador de calor de acuerdo con la potencia de las lámparas controladas. Los resistores son de 1/8 W con un 20% de tolerancia o menos.
Para probar, basta con conectar el circuito a una lámpara y fuente de 12 V y verificar su funcionamiento. El circuito también se puede utilizar para controlar la velocidad de pequeños motores y ventiladores de corriente continua.
Lista de material
CI-1 - 4093 - circuito integrado
Q1 - IRF640 o equivalente - MOSFET de potencia
D1, D2 - 1N4148 - diodos de silicio de uso general
X1 - lámpara de 12 V o LED - ver texto
P1 - 1 M ohms - potenciómetro
R1 - 100 k ohms - resistor - marrón, negro, amarillo
R2 - 4k7 ohms - resistor - amarillo, violeta, rojo
R3 - 1 k ohms - resistor - marrón, negro, rojo
C1 - 47 nF - capacitor de cerámica o poliéster
Varios:
Placa de circuito impreso, radiador de calor para el transistor, hilos, soldadura, etc.






