Después del 555 bipolar común y del 555 CMOS surge ahora un nuevo componente de la familia del más útil y más vendido de todos los circuitos integrados: el ZSCT1555. Este nuevo 555 reúne nuevas características excepcionales que abren las puertas a una enorme gama de proyectos.
Nota: En realidad, la versión ZSCT1555 de Zetex no es más que el 555 CMOS actual, bastante común en nuestros días. El artículo fue escrito en 1999 cuando el componente fue lanzado
El más vendido de todos los circuitos integrados está completando 25 años de existencia y aún no ha sido superado apareciendo en una infinidad de nuevas aplicaciones prácticas todos los días.
Después del lanzamiento de la versión CMOS del 555 (TLC7555) con frecuencias más altas de operación, mayor corriente de salida y menor consumo, nadie esperaba que se pudiera hacer algún tipo de perfeccionamiento en este componente.
Sin embargo, para nuestra sorpresa Zetex está presentando el ZSCT1555 el nuevo 555 de alto rendimiento con características especiales. El pinado y las aplicaciones del nuevo 555 son totalmente compatibles con la del tradicional componente, como muestra la figura 1.
Lo que cambian son las características eléctricas y la más importante es el rango de tensiones de operación. El nuevo 555 puede funcionar con tensiones a partir de 0,9 V de alimentación.
Con alimentación de 5 V el consumo de este interado es de sólo 140 uA contra los 170 uA de la versión CMOS. Con 1,5 V de alimentación la corriente requerida por este nuevo circuito integrado es de sólo 75 uA.
Pero no es sólo el mismo chip con características mejoradas que representa el ZSCT1555. El propio chip tiene nuevos elementos internos que posibilitan el funcionamiento con mayor estabilidad técnica.
En la figura 2 tenemos la curva de corriente quiescente versus tensión de alimentación para este componente.
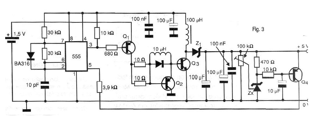
En la figura 3 tenemos una aplicación importante sugerida por Zetex para este componente.
Se trata de un convertidor que eleva la tensión de una sola pila a 5 V alimentando circuitos integrados TTL o microprocesadores. La base del circuito y un inversor PWM que opera a una frecuencia de 150 kHz gracias al uso de transistores conmutadores especiales. El circuito integrado 555 es el responsable de la señal de 150 kHz que controla el circuito inversor.
Montado con componentes SMD el circuito puede tener dimensiones extremadamente reducidas. Los lectores interesados en más información sobre este nuevo componente de Zetex pueden acceder al sitio web de la empresa en Internet: http://www.zetex.com
Nota: Después de este artículo varios fabricantes también ofrecían sus versiones CMOS del 555 como el TLC7555 de Texas, que es común en nuestro mercado.






