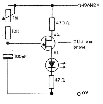
El circuito de la figura 1 excita un LED con parpadeos regulares que se pueden utilizar para señalización o temporización. Consiste en la aplicación típica del transistor uniuntura. La alimentación debe realizarse con tensión de 9V y la frecuencia de los destellos se controlará en el potenciómetro. Para excitar lámparas de mayor potencia o incluso más LED, podemos agregar una etapa amplificadora de transistores a este circuito básico, como se muestra en la Figura 2.


El circuito que se muestra puede excitar lámparas de 9 a 15 V con corrientes de hasta 200 mA.
Material:
Q1 – 2N2646 – transistor unijunção
Q2 – BD135 o equivalente – transistor NPN de potencia
LED – LED comum de qualquer cor
Resistoress:
1k, 10k, 470 ohms e 47 ohms
Capacitor:
47 uF a 220 uF



