Este divisor separa los graves, medios y agudos para tres altavoces diferentes, siendo sencillo de montar e instalar. El circuito funciona con altavoces de hasta 50 W.
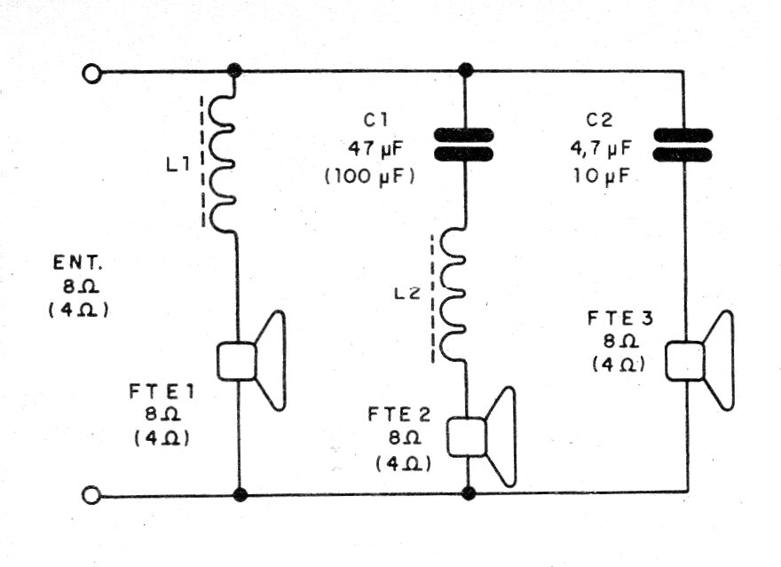
El filtro separador que describimos separa las señales de la pista de audio en tres canales, siendo graves, medianos y agudos. Para este filtro tenemos que enrollar dos bobinas que dependen de la impedancia de los altavoces.
Se enrollan en carretes con núcleo de ferrita con fo 18 AWG que tienen las siguientes características: Para 8 ohms, L1 está formada por 450 espiras y L2 por 50 espiras. Para 4 ohms, L1 está formada por 200 espiras y L2 por 30 espiras.
En la figura 1 tenemos el diagrama completo del divisor que sólo utiliza componentes pasivos.
En la figura 2 tenemos la disposición real de los componentes.
Los capacitores deben ser despolarizados, pudiendo ser obtenidos con electrolíticos en oposición.
Lista de material
L1, L2 - Bobinas - ver texto
C1 - 47 uf x 25 V para 8 ohms o 100 uF x 25 V para 4 ohms
C2 - 4,7 uF x 25 V para 8 ohms o 10 uF x 25 V para 4 ohms
Varios:
Altavoces de graves, medios y agudos, hilos esmaltados, ferrita, etc.





