Las fuentes simétricas son ampliamente usadas en la alimentación de circuitos que hacen uso de amplificadores operacionales y comparadores de tensión. Estas fuentes generan una tensión negativa y una tensión positivas, de valores iguales en relación a una referencia (tierra o 12 V).
Las tensiones típicas de estas fuentes varían entre 3 y 12 V y las corrientes son bajas, a menos que los circuitos tengan etapas de potencia. Estas corrientes están en el rango de 10 a 500 mA típicamente. A continuación damos dos circuitos de fuentes simétricas simples, una sin regulación y otra con regulación por diodo zener, las cuales pueden ser usadas en la mayoría de las aplicaciones menos críticas que usen amplificadores operacionales y comparadores de tensión.
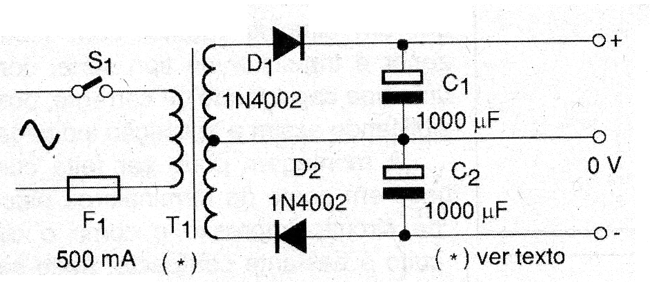
La primera tiene el circuito mostrado en la figura 1, pudiendo ser utilizados transformadores de 5 + 5, 6 + 6, 7,5 + 7,5, 9 + 9 V y hasta 12 + 12 V conforme la tensión deseada en la salida.
Se observa que la tensión sin carga (abierta) es la tensión de pico del secundario del transformador, es decir, un valor mucho más alto que puede llegar a los 18 V en el caso de los transformadores de 12 V. Así, para operativos que tengan tensiones máximas de 15 V se debe utilizar un transformador con un máximo de 9 V de secundario.
La corriente máxima de esta fuente es dada por el transformador. Para esta configuración se recomienda una corriente máxima de 500 mA. Los capacitores deben tener tensiones de trabajo por lo menos 2 veces mayor que la tensión del secundario del transformador usado, pues se cargan con la tensión de pico.
Lista de material
D1, D2 - 1N4002 - diodos rectificadores de silicio
T1 - Transformador - primario según la red local, secundaria - ver texto
C1, C2 - 1 000 uF - capacitores electrolíticos - ver el texto
S1 - Interruptor simple
F1 - 500 mA - fusible
Varios:
Placa de circuito impreso o puente de terminales, cable de alimentación, soporte para fusible, caja para montaje, hilos, soldadura ,. etcétera
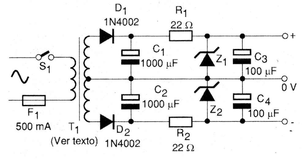
La segunda fuente tiene una regulación por diodos zener y se muestra en la figura 2.
La corriente máxima de esta fuente es menor, del orden de sólo 50 mA, y la tensión se fijará en dos valores más usados: 6 y 12 V. Para otras tensiones, el zener y los resistores deben tener sus valores alterados.
La figura 3 muestra cómo podemos obtener una fuente simétrica usando un transformador con secundario simple.

Se observa que, para un transformador con 12 V de secundario, la fuente obtenida será de aproximadamente 6 + 6 V.
Lista de material
D1, D2 - 1N4002 - diodos rectificadores de silicio
Z1, Z2 - 6 o 12 V x 1 W - diodos zener según la tensión de salida deseada
C1, C2 - 1 000 uF x 25 V - capacitores electrolíticos
C3, C4 - 100 uF x 16 V - capacitores electrolíticos
- R1, R2 - 22 ohms x 1 W - resistores - rojo, rojo, negro para 6 V o 10 ohms x 1 W - marrón, negro, negro, para 12 V
T1 - Transformador con 12 V + 12 V de secundario de 50 mA a 300 mA - primario según la red de energía
S1 - Interruptor simple
F1 - 500 mA - fusible
Varios:
Placa de circuito impreso o puente de terminales, caja para montaje, hilos, soldadura, cable de alimentación, etc.





