La mayoría de los proyectos electrónicos que involucran el uso de transistores y circuitos integrados necesitan tensiones de 6 y 12 V. Una fuente simple que proporcione estas tensiones es entonces algo que todo montador, proyectista o reparador de circuitos debe tener en su banco.
La fuente simple que presentamos no está regulada y puede ser usada en muchos proyectos no críticos. Los proyectos que puedan funcionar con tensiones no reguladas con una buena banda de tolerancia en torno a 6 o 12 V pueden ser alimentados por una fuente relativamente simple como la que presentamos ahora.
Esta fuente no está regulada, lo que significa que en la salida de 6 V, en realidad, la tensión puede estar entre 6 V y poco más de 8 V y de la misma forma, a la salida de 12 V, podrá tener entre 12 V y 15 V o poco más, dependiendo del consumo del aparato alimentado.
Si los aparatos que se alimentan no son críticos, aceptando estas variaciones, la fuente puede ser utilizada en problemas. La filtración es buena, dada por un condensador electrolítico de 1 000 uF, y la monitorización del funcionamiento se realiza a través de un LED común.
Las electrólisis, proyectos mecatrónicos que involucran pequeños motores, calentadores, solenoides y otros dispositivos no críticos pueden ser alimentados por esta fuente. La corriente máxima disponible en la salida es de 500 mA y la tensión de entrada depende sólo del transformador usado.
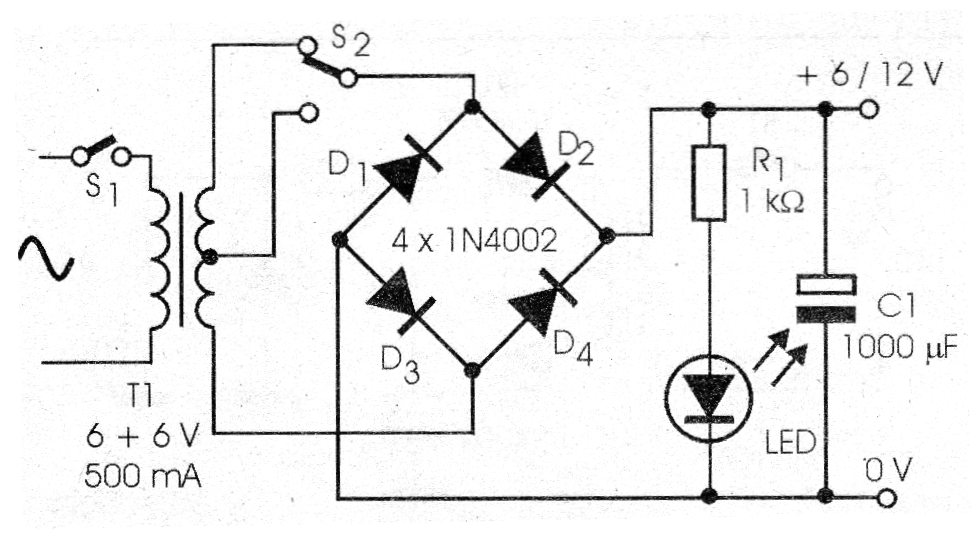
En la figura 1 tenemos el diagrama completo de esta fuente.
Los pocos componentes usados pueden ser soldados en un puente de terminales, para un montaje menos comprometido, como muestra la figura 2.

Los diodos admiten equivalentes y el transformador tiene un enrollamiento secundario de 6 + 6 V (con toma central) con 500 mA o más de corriente. El devanado primario debe ser de acuerdo con la red de energía, es decir, 110 V o 220 V.
Para probar la fuente es sólo conectarla y medir la tensión de salida, alimentando una lámpara de acuerdo con esa misma tensión de salida. Un multímetro común puede ser utilizado para hacer la medida de la tensión suministrada.
Para utilizar siempre observe la tensión de salida y la polaridad. Será interesante identificar las salidas usando hilos o bornes de colores diferentes, por ejemplo, el rojo para el positivo y el negro para el negativo. Si la tensión cae mucho al alimentarse algún aparato, lo que puede ser notado por una caída acentuada del brillo del LED, es porque este aparato tiene mayor consumo de lo que la fuente puede soportar.
Apague y no utilice esta fuente.
LISTA DE MATERIAL
Semiconductores:
D1 a D4 - 1N4002 - diodos de silicio
LED - LED rojo común
Varios:
S1 - Interruptor Simple
S2 - Llave de 1 polo x 2 posiciones
C1 - 1 000 uF x 25 V - capacitor electrolítico
Puente de terminales, cable de fuerza, caja para montaje, garras o bornes para la salida, hilos, soldadura, etc.




