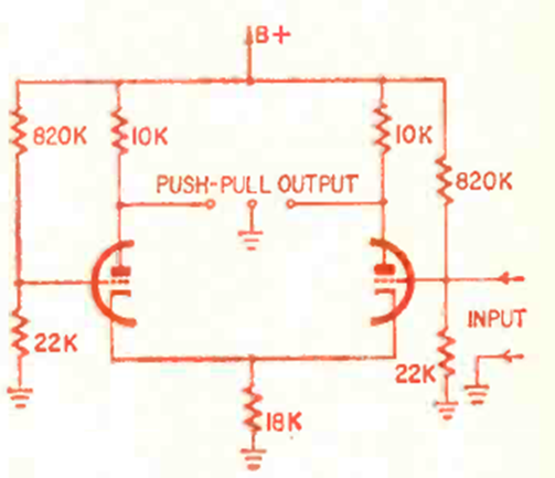
Este es un circuito inversor que utiliza una válvula de triodo doble. El circuito es una sugerencia para utilizar este tipo de válvulas que encontramos en una publicación antigua.

Este es un circuito inversor que utiliza una válvula de triodo doble. El circuito es una sugerencia para utilizar este tipo de válvulas que encontramos en una publicación antigua.
