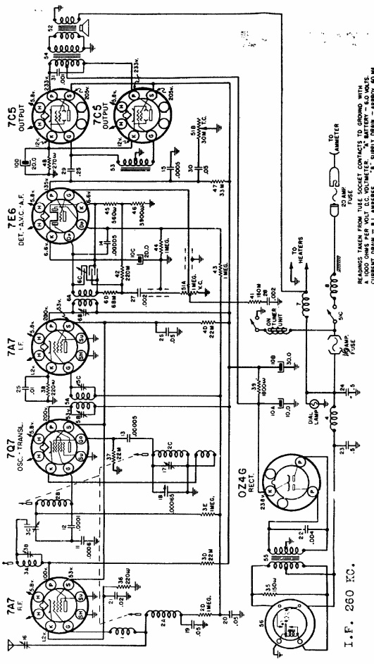
Este receptor de la propia fábrica de automóviles utilizaba un vibrador para obtener alta tensión en las válvulas. Los filamentos de las válvulas eran de 7 V, otra característica interesante de esta configuración de radio diferente.

Este receptor de la propia fábrica de automóviles utilizaba un vibrador para obtener alta tensión en las válvulas. Los filamentos de las válvulas eran de 7 V, otra característica interesante de esta configuración de radio diferente.
